| Vorig artikel | Toon lijst | Volgend artikel |
Aluminium constructieprofiel 4590
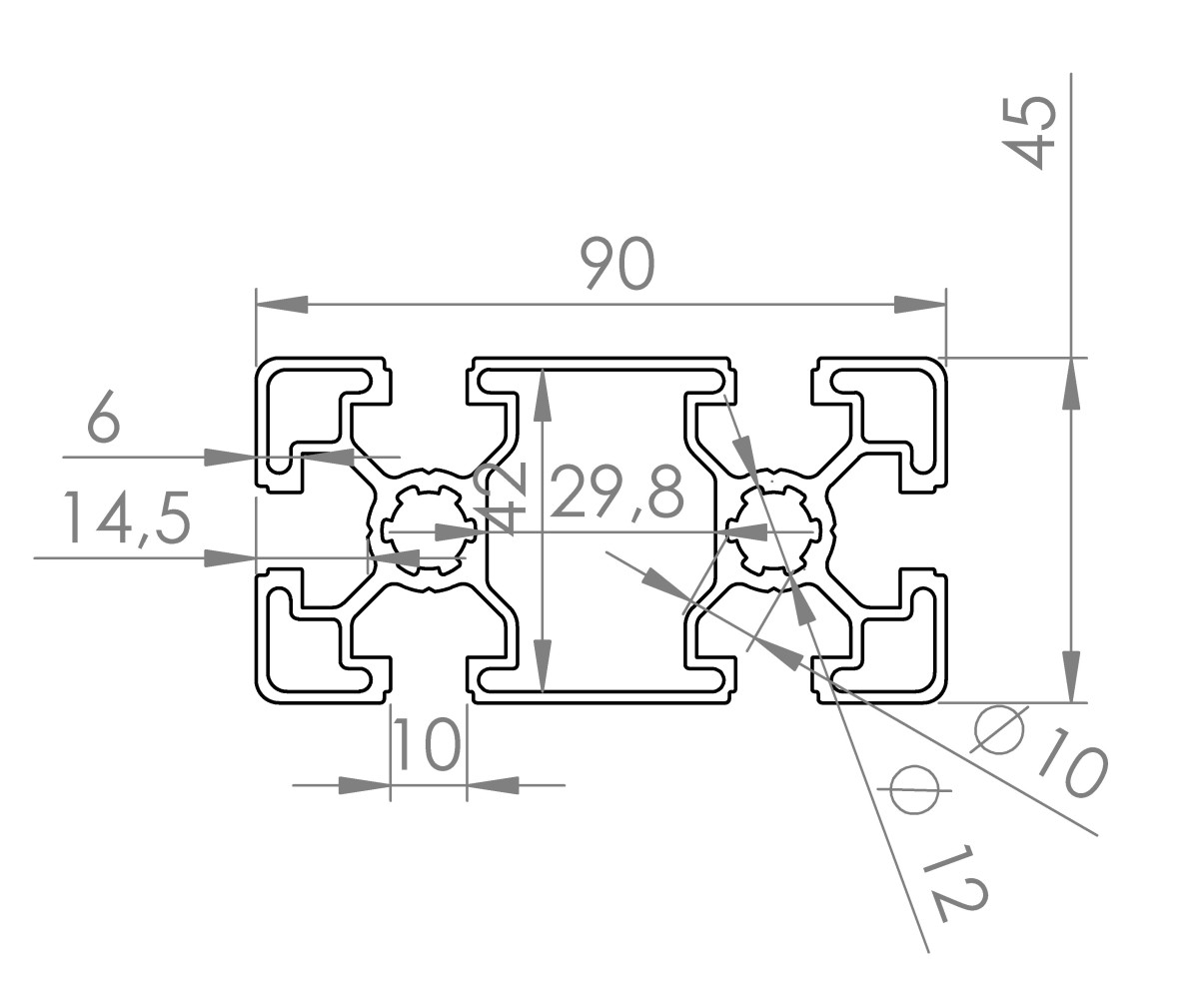
Dit aluminium constructieprofiel 4590 (45x90) is 45 mm breed en 90 mm hoog. Het profiel heeft 6 sleuven van 10 mm breed. De sleuven zijn 14.5 mm diep. De kopse kanten van het profiel hebben een ⌀10 mm gat waar een M12 schroefdraad in getapt kan worden. De profielen zijn geanodiseerd in een zilvergrijze kleur (natuurlijke kleur aluminium).
Dit profiel is compatibel met BSB, BSP en B-type profielen van de 45-serie, zoals de 4545 (45x45), 4590 (45x90) en andere aluminium constructieprofielen.
|
Aluminium profiel systeem |
BOSCH, BSB, BSP, B-Type |
|
Aluminium profiel T-sleuf |
10mm |
|
Aluminium profiel serie |
45mm |
|
Aluminium profiel maat |
45x90 mm |
|
T-sleuf maat |
10mm -0/+0,3mm |
|
Aluminium profiel kern |
10mm -0.2/+0.2mm |
|
Aluminium profiel zaagsnede |
Lengte -1/+1mm |
3D Bestand
Hier staan de downloads van dit artikel. Klik op het icoon om deze te downloaden.
| 4590.step |
|
Aluminium profiel oppervlakte |
|
|
Geanodiseerd oppervlak |
E6EV1 (Mat zilver) 10-15 µm |
|
Aluminium profiel certificering |
|
|
Materiaal |
3.1 op aanvraag leverbaar |
|
Mechanische specificatie |
|
|
Materiaal |
EN-AW 6063 |
|
Conditie |
T66 |
|
Vloeigrens |
Rp0.2>=200 [N/ mm2] |
|
Treksterkte |
Rm>=245 [N/ mm2] |
|
Kruip |
A >= 8 [%] |
|
Kruip |
A5 0mm>= 6 [%] |
|
Hardheid |
>= 80 [HB] |
|
Technische specificatie |
|
|
Oppervlakte doorsnee |
925.76 [mm2] |
|
Massamiddelpunt X |
45,00 [mm] |
|
Massamiddelpunt Y |
22,25 [mm] |
|
Oppervlaktetraagheidsmoment |
Ix 189589,00 [mm4] |
|
Oppervlaktetraagheidsmoment |
IY 772906,00 [mm4] |
|
Weerstandsmoment |
Wx 8427,10 [mm3] |
|
Weerstandsmoment |
Wy 17178,80 [mm3] |
|
Nominaal gewicht |
2,5 [kg/m] |
Doorbuiging aluminium profiel berekenen
Deze rekenhulp levert benaderende, theoretische resultaten die niet gegarandeerd zijn.
Configuraties van de aluminium profielen en belastingen
Simpel ondersteund profiel

Uitkragend profiel

Ingeklemd profiel





