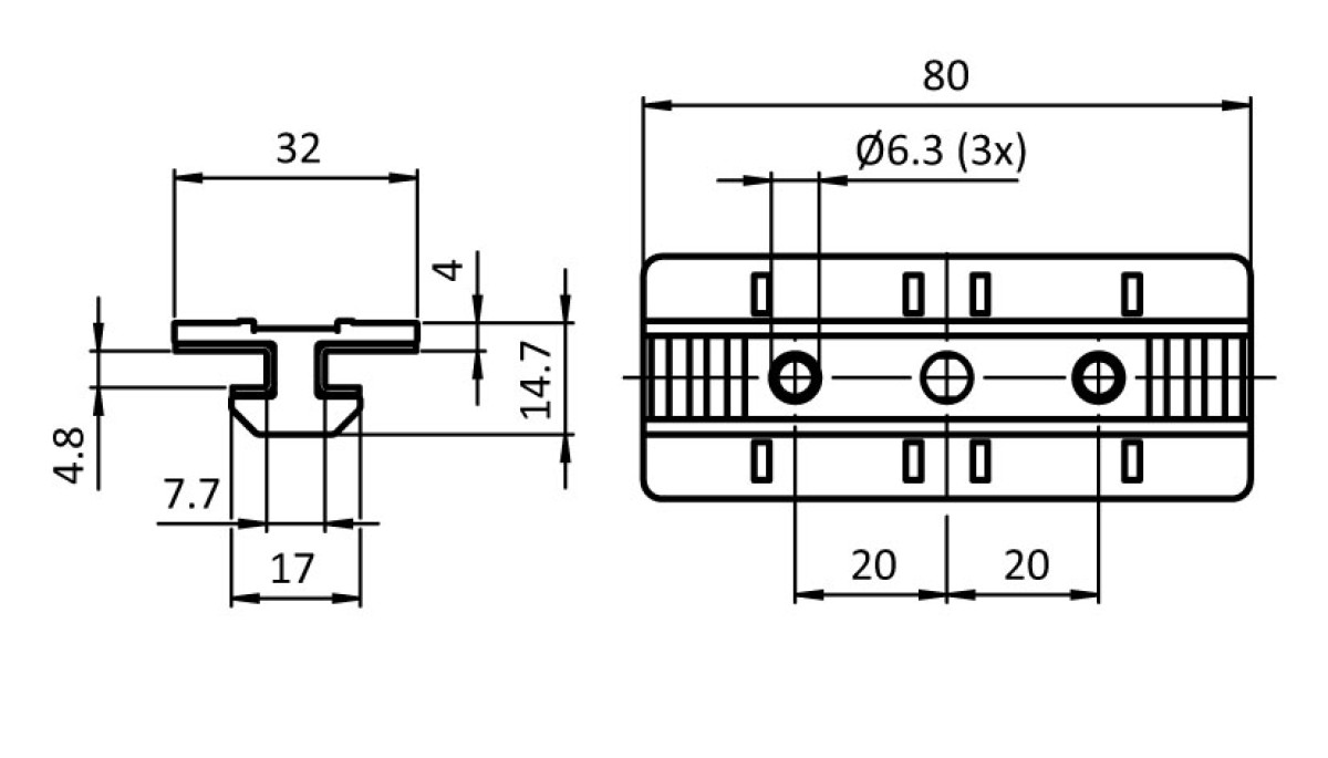
Lineair geleider / profiel glijder 40
Met deze profiel glijder is het mogelijk om een aluminium profiel te gebruiken als lineair geleiding. Deze oplossing is ideaal voor toepassingen waarbij enige speelbaar toelaatbaar is of zelfs gewenst is. Denk hierbij aan het geleiden van een pneumatische cilinder met een aluminium profiel of een andere toepassing.
In combinatie met de klemhendel M6x55 is het mogelijk om met de slider 2 constructieprofielen parallel aan elkaar in te stellen, denk hierbij bijvoorbeeld aan een in hoogte verstelbare opstelling of het verstellen van de stoel van een simracer.
Tevens is in de slider een uitsparing aanwezig waar een T5 tandriem van maximaal 10mm breed ingeklemd kan worden, zie ook het voorbeeld. Dit maakt het heel makkelijk om 2 constructieprofielen met behulp van een tandriem en motor ten opzichte van elkaar te bewegen, zoals bijvoorbeeld het 8080 en 4080 aluminium constructieprofiel.
De profielglijder bestaat uit een metalen body met kunststof POM contactvlakken en hoeft dus niet gesmeerd te worden.


